GO
10d

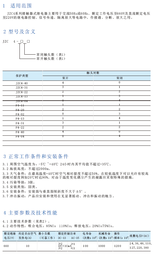
JZC4系列接触器式继电器

所属分类:热继电器、中间继电器

PDF File:

在线客服

华体会官方网站_华体会huatihui(中国)客服1

1428967121

华体会官方网站_华体会huatihui(中国)客服2

2281824741