GO
D1D2

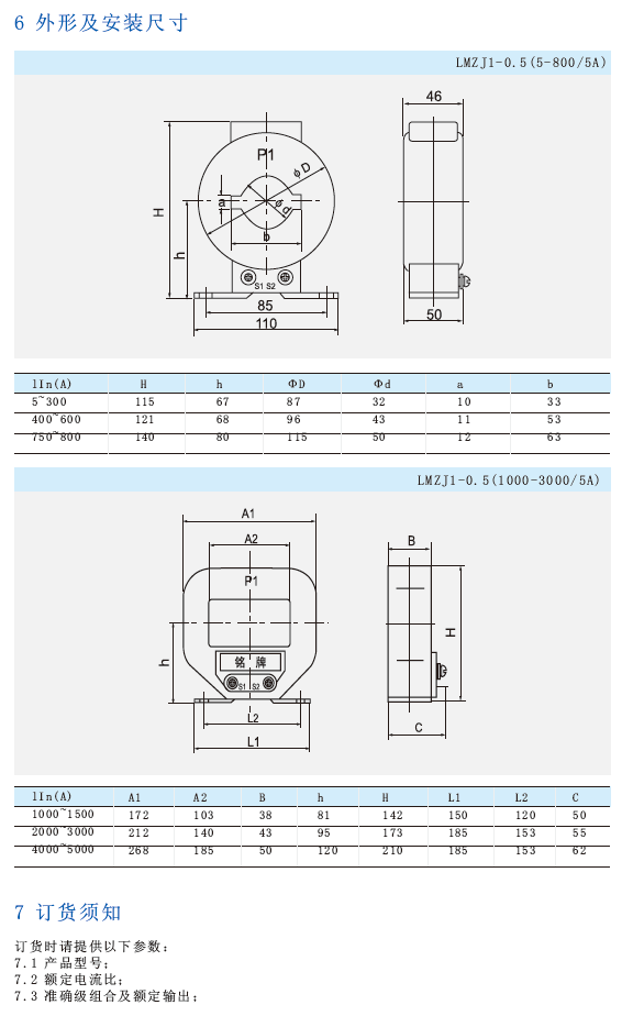
LMZJ1-0.5型电流互感器

所属分类:互感器

PDF File:

在线客服

华体会官方网站_华体会huatihui(中国)客服1

1428967121

华体会官方网站_华体会huatihui(中国)客服2

2281824741