GO
3d

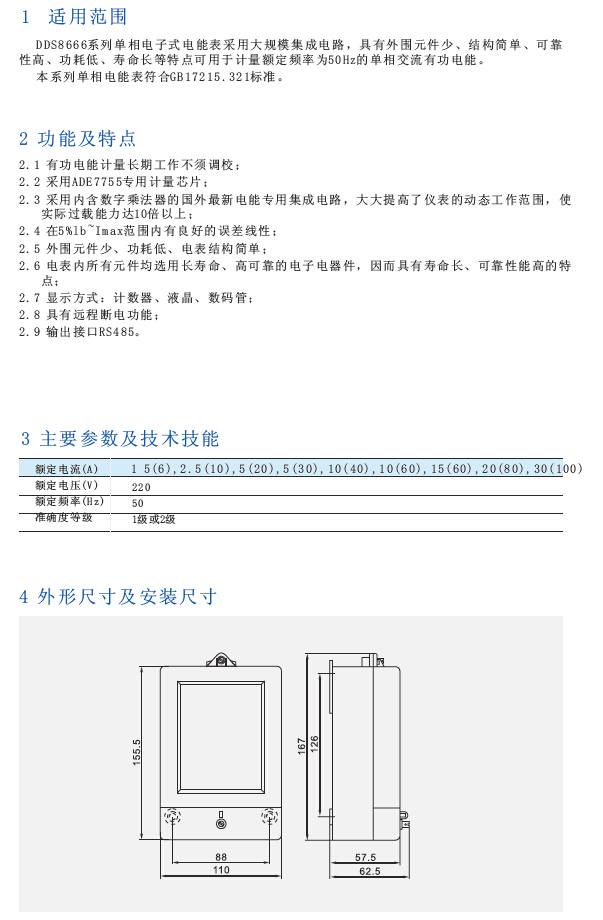
DDS8666系列单相电子式有功电能表

所属分类:电能表、仪器仪表

PDF File:

在线客服

华体会官方网站_华体会huatihui(中国)客服1

1428967121

华体会官方网站_华体会huatihui(中国)客服2

2281824741